
Art.Nr. BTS-775.01.36
Originalbezeichnung: Schraubniet Tourmax
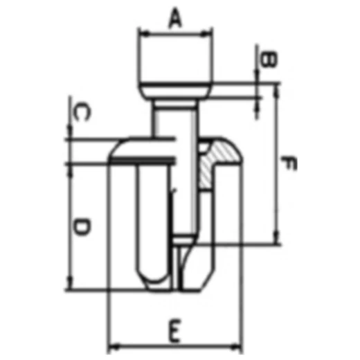
Die Schraubnieten von Tourmax sind die perfekte Wahl für die zuverlässige Befestigung und Montage von Motorradteilen. Diese hochwertigen Nieten, hergestellt in Japan, bieten nicht nur eine einfache Handhabung, sondern auch eine hohe Belastbarkeit. Die technischen Merkmale sind wie folgt: Die Lochgröße beträgt 6,0 mm, die Dicke liegt im Bereich von 3,3 bis 5,5 mm. Zudem verfügen die Nieten über eine Breite (A) von 8,0 mm, eine Gesamtdicke (B+C) von 3,0 mm, während der Durchmesser (D) 11,0 mm und die weiteren Abmessungen (E) 14,0 mm und (F) 14,0 mm betragen. Diese Nieten sind ideal für vielseitige Anwendungen an Motorrädern geeignet, um eine sichere und langlebige Verbindung zu gewährleisten.
Hersteller Nr.: Tourmax RVT-SR01
EAN: 4043981326949
8,39 EUR
inkl. 20 % MwSt. zzgl. Versandkosten