
Art.Nr. BTS-656.29.46
Originalbezeichnung: KUP Nippel AUSSENR 1/8
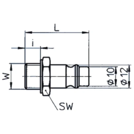
Der ewo Stecker mit Außengewinde ist eine hervorragende Lösung für verschiedene Anwendungen im Motorradbereich. Er bietet eine zuverlässige Verbindung und ist besonders langlebig. Dieser Nippel verfügt über ein Außengewinde mit einem Durchmesser von G 1/8" und einer Gewindelänge von 7 mm. Mit einer Gesamtlänge von 31 mm und einem Schraubenschlüsselmaß (SW) von 14 mm fügt er sich leicht in Ihre bestehende Installation ein. Er ist als DN 7,2 Stecker konzipiert und kompatibel mit sämtlichen DN 7,2 und DN 7,8 Kupplungen, was seine Vielseitigkeit unterstreicht. Der Nippel ist einfach zu montieren und gewährleistet eine sichere Verbindung.
Hersteller Nr.: EWO 308-061
EAN: 4030875005059
5,20 EUR
inkl. 20 % MwSt. zzgl. Versandkosten