
Art.Nr. BTS-656.04.37
Originalbezeichnung: Kupplung I Gewinde 1/4
Die ewo Standardkupplung DN 7,2 mit Innengewinde ist die ideale Wahl für Anwendungen, bei denen eine zuverlässige Verbindung erforderlich ist. Diese Einhandschnellkupplung aus Messing bietet eine robuste Konstruktion mit einer effektiven Walzenverriegelung, die ein unbeabsichtigtes Lösen der Verbindung verhindert. Ein integriertes Rückschlagventil sorgt dafür, dass die Kupplung beim Kuppeln zwangsweise entriegelt, was die Handhabung erleichtert und die Sicherheit erhöht.
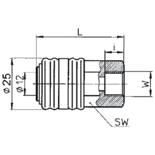
Zu den technischen Merkmalen gehören ein Anschluss-Gewinde von G 1/4", eine Gewindelänge von 8 mm sowie eine Gesamtlänge von 41 mm. Die Schlüsselweite beträgt 21 mm, was eine einfache Montage ermöglicht. Diese Kupplung eignet sich für verschiedene Anwendungen in der Motorradtechnik und ist einfach zu pflegen. Achten Sie darauf, die Kupplung regelmäßig auf Beschädigungen zu überprüfen, um eine optimale Funktionalität sicherzustellen.
Hersteller Nr.: EWO 308.002
EAN: 4030875000382
7,06 EUR
inkl. 20 % MwSt. zzgl. Versandkosten